




Stainless Steel Head : Elliptical headButterfly headSpherical head spin edgeFlat HeadSpherical headBow bottom headConical headSpherical cap shaped headInsulation panelExpansion Joints
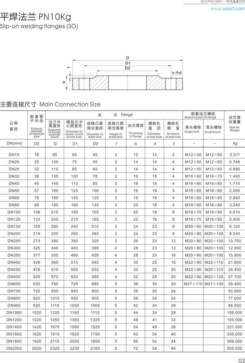
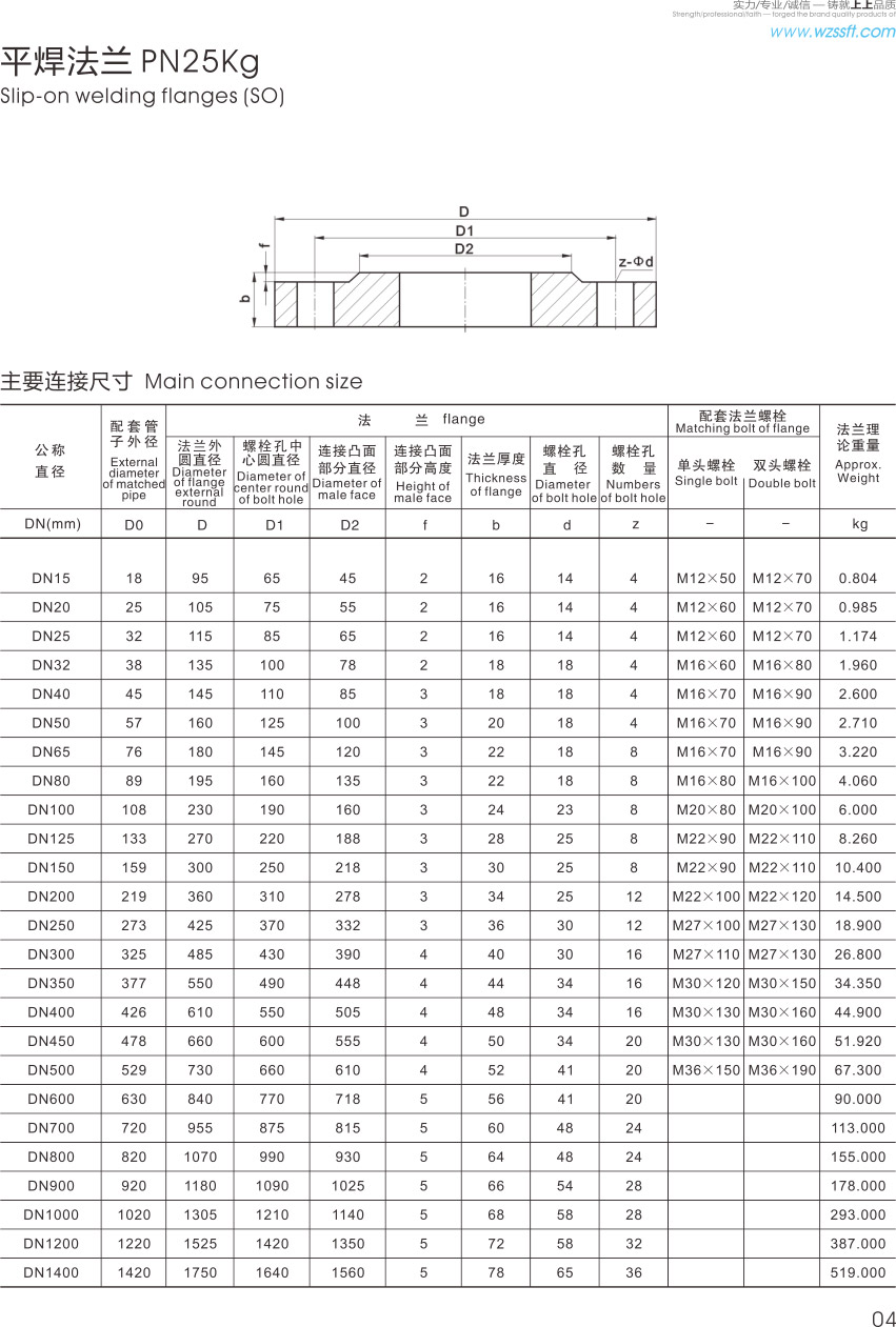
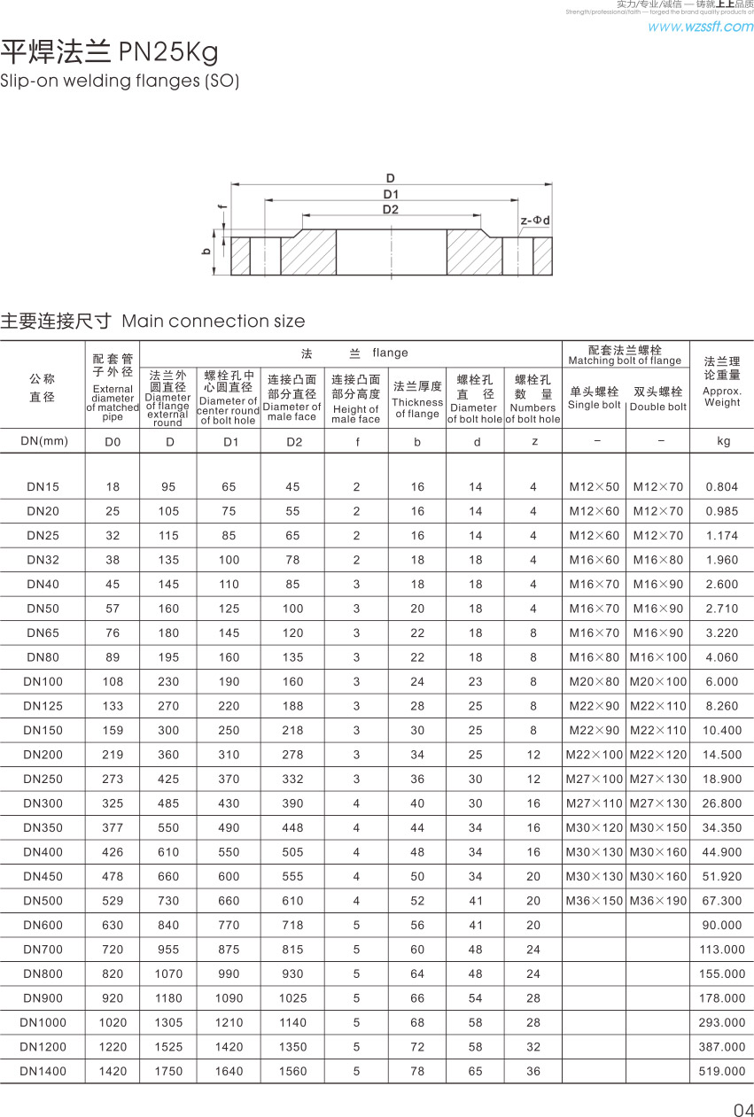
Flange : Manhole flangeNon-standard grooved flangeQuick lug flangeCommon non-standard flangeValve plate supporting flangeFast-loading flangeJIS flangeDIN flange
Manhole : Quick open manhole flangeQuick manhole flangeQuick open manhole flangeSingle beam manholeServant within the open hole

Follow Us